電氣圖紙識圖大全,看完我不相信你不懂
電氣圖紙,是在建筑、工業、船舶、水利等各行業建設中只要用到電氣設備就是不可缺的東西。但是真正只有懂電氣技術的人才可以看懂圖紙。為了能夠讓更多的人了解電氣圖紙,小編下面簡單介紹一下:
電氣圖是用電氣圖形符號、帶注釋的圍框或簡化外形表示電器系統或設備中組成部分之間相互關系及其連接關系的一種圖。
1、平面圖

平面圖
電氣平面圖是表示電氣工程項目的電氣設備、裝置和線路的平面布置圖,一般是在建筑平面圖的基礎上繪制出來的。常見的電氣平面圖有供電平面圖、變配電所平面圖、電力平面圖、照明平面圖、弱電系統平面圖、防雷與接地平面圖等。
2、系統圖或框圖
用符號或帶注釋的框,概略表示系統或分系統的基本組成、相互關系及其主要特征的一種簡圖。

系統圖

框圖
3、電路圖或原理圖
用圖形符號并按工作順序排列,詳細表示電路、設備或成套裝置的全部組成和連接關系,而不考慮其實際位置的一種簡圖。目的是便于詳細理解作用原理、分析和計算電路特性。

原理圖
4、功能表圖
表示控制系統的作用和狀態的一種圖。

功能表圖
5、設備元件表
把成套裝置、設備和裝置中各組成部分和相應數據列成的表格其用途表示各組成部分的名稱、型號、規格和數量等。

設備元件表
6、端子功能圖
表示功能單元全部外接端子,并用功能圖、表圖或文字表示其內部功能的一種簡圖。

端子圖
7、接線圖或接線表
表示成套裝置、設備或裝置的連接關系,用以進行接線和檢查的一種簡圖或表格。

接線圖
⑴單元接線圖或單元接線表:表示成套裝置或設備中一個結構單元內的連接關系的一種接線圖或接線表。(結構單元指在各種情況下可獨立運行的組件或某種組合體)
⑵互連接線圖或互連接線表:表示成套裝置或設備的不同單元之間連接關系的一種接圖或接線表。(線纜接線圖或接線表)

接線圖
⑶端子接線圖或端子接線表:表示成套裝置或設備的端子,以及接在端子上的外部接線(必要時包括內部接線)的一種接線圖或接線表。

接線圖
⑷電費配置圖或電費配置表:提供電纜兩端位置,必要時還包括電費功能、特性和路徑等信息的一種接線圖或接線表。
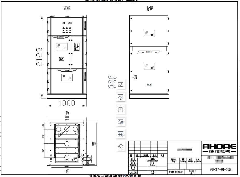
8、設備外形圖
對電氣設備外部輪廓的描述。包括外形尺寸、結構等。

設備外形圖
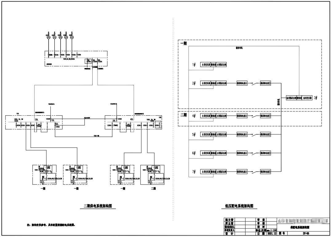
9、供電系統架構圖
對一個項目中所需要的設備進行網絡匯總。

10、數據單
對特定項目給出詳細信息的資料。

工具單
除了上述一些較為常用的主要電氣圖外,在實際電氣工程中還存在多種形式的其它電氣圖。總之,要根據不同的供電需求設計不同的電氣圖紙。了解了以上的幾種圖紙,基本上可以清楚電氣設備需求了。











